
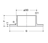
| 呼び径(mm) | 外径 OD(mm) | 厚さ(mm) | つばの径 G (mm) | 高さ | コーナーR(mm) | |
| T | t | (参考) | ||||
| 30 su | 34.0 | 2.8 | 1.2 | 67 | 50 | 3 |
| 40 | 42.7 | 2.8 | 1.2 | 76 | 50 | 4 |
| 50 | 48.6 | 2.8 | 1.2 | 81 | 50 | 4 |
| 60 | 60.5 | 2.8 | 1.5 | 96 | 50 | 4 |
| 75 | 76.3 | 3.0 | 1.5 | 116 | 50 | 5 |
| 80 | 89.1 | 3.0 | 2.0 | 126 | 50 | 5 |
| 100 | 114.3 | 3.0 | 2.0 | 151 | 50 | 5 |
| 125 | 139.8 | 3.4 | 2.0 | 182 | 50 | 6 |
| 150 | 165.2 | 3.4 | 3.0 | 212 | 50 | 6 |
| 200 | 216.3 | 4.0 | 3.0 | 262 | 65 | 6 |
| 250 | 267.4 | 4.0 | 3.0 | 324 | 65 | 6 |
| 300 | 318.5 | 4.5 | 3.0 | 368 | 65 | 9 |
底部导航
产品分类
联系我们
支付宝二维码
